您好,欢迎访问开云在线登录网站!

联系我们

联系我们

开云在线登录

手机:133-4266-6888

电话:0769-81383685

邮箱:changmin896@163.com

地址:广东省东莞市石排镇庙边王龙田西路1号

网址:www.bestpoolandspastores.com/

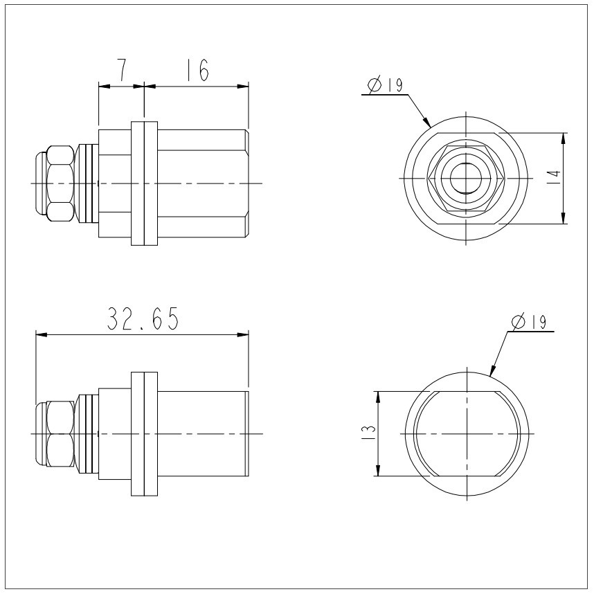
长杆壁灯转轴设计CM090-002

规格:19*32.65mm
外观:电镀亮镍
扭力:45-50KGF.CM
寿命:5000次,衰减率小于20%
材质:1215
咨询热线:133-4266-6888

产品介绍

产品特点:折可任意角度停顿,装配简便寿命超长,大扭力。转轴360度旋转。

使用方法:折叠台灯转轴采用四边形的套筒,套筒之间转动,装配时从侧面塞入台灯的活动关节。

专注精密五金转轴实体厂家
专业转轴工程师为您的产品量身定制各类转轴
地址:广东省东莞市石排镇庙边王龙田西路1号
电话:0769-81383685
手机:133-4266-6888
Copyright © 2021 开云在线登录 版权所有,违权必究 粤ICP备18051942号
咨询

电话

133-4266-6888

扫一扫加微信

扫一扫加微信

扫一扫加微信

公众号

微信公众号

微信公众号

微信小程序

微信小程序

微信小程序