您好,欢迎访问开云在线登录网站!

联系我们

联系我们

开云在线登录

手机:133-4266-6888

电话:0769-81383685

邮箱:changmin896@163.com

地址:广东省东莞市石排镇庙边王龙田西路1号

网址:www.bestpoolandspastores.com/

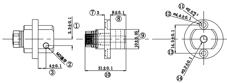
台灯转轴 CM037-004

规格:CM037-004
外观:电镀亮镍
扭力:20-25KGF.CM
寿命:10000次,衰减率小于20%
材质:SK7+1215
咨询热线:133-4266-6888

产品介绍

  
led台灯转轴,采用平面垫片结构,装配到台灯后非常稳定牢固,左右转动时台灯灯头不会晃动。




专注精密五金转轴实体厂家
专业转轴工程师为您的产品量身定制各类转轴
地址:广东省东莞市石排镇庙边王龙田西路1号
电话:0769-81383685
手机:133-4266-6888
Copyright © 2021 开云在线登录 版权所有,违权必究 粤ICP备18051942号
咨询

电话

133-4266-6888

扫一扫加微信

扫一扫加微信

扫一扫加微信

公众号

微信公众号

微信公众号

微信小程序

微信小程序

微信小程序